基于单片机的动态数码显示电路
描述:
1. 实验任务
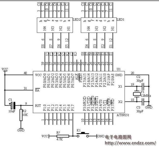
如图4.13.1 所示,P0 端口接动态数码管的字形码笔段,P2 端口接动态数码 管的数位选择端,P1.7 接一个开关,当开关接高电平时,显示“12345”字 样;当开关接低电平时,显示“HELLO”字样。
2. 电路原理图

3. 系统板上硬件连线
(1. 把“单片机系统”区域中的P0.0/AD0-P0.7/AD7 用8 芯排线连接到“动 态数码显示”区域中的a-h 端口上;
(2.把“单片机系统”区域中的P2.0/A8-P2.7/A15 用8 芯排线连接到“动态 数码显示”区域中的S1-S8 端口上;
(3. 把“单片机系统”区域中的P1.7 端口用导线连接到“独立式键盘”区域 中的SP1 端口上;
4. 程序设计内容
(1. 动态扫描方法
动态接口采用各数码管循环轮流显示的方法,当循环显示频率较高时,利用人眼 的暂留特性,看不出闪烁显示现象,这种显示需要一个接口完成字形码的输出(字 形选择),另一接口完成各数码管的轮流点亮(数位选择)。
(2. 在进行数码显示的时候,要对显示单元开辟8 个显示缓冲区,每个显示缓 冲区装有显示的不同数据即可。
(3. 对于显示的字形码数据我们采用查表方法来完成。
5. 程序框图
6. 汇编源程序
ORG 00H
START: JB P1.7,DIR1
MOV DPTR,#TABLE1
SJMP DIR
DIR1: MOV DPTR,#TABLE2
DIR: MOV R0,#00H
MOV R1,#01H
NEXT: MOV A,R0
MOVC A,@A+DPTR
MOV P0,A
MOV A,R1
MOV P2,A
LCALL DAY
INC R0
RL A
MOV R1,A
CJNE R1,#0DFH,NEXT
SJMP START
DAY: MOV R6,#4
D1: MOV R7,#248
DJNZ R7,$
DJNZ R6,D1
RET
TABLE1: DB 06H,5BH,4FH,66H,6DH
TABLE2: DB 78H,79H,38H,38H,3FH
END
7. C 语言源程序
#include <AT89X51.H>
unsigned char code table1[]={0x06,0x5b,0x4f,0x66,0x6d};
unsigned char code table2[]={0x78,0x79,0x38,0x38,0x3f};
unsigned char i;
unsigned char a,b;
unsigned char temp;
void main(void)
{
while(1)
{
temp=0xfe;
for(i=0;i<5;i++)
{
if(P1_7==1)
{
P0=table1[i];
}
else
{
P0=table2[i];
}
P2=temp;
a=temp<<(i+1);
b=temp>>(7-i);
temp=a|b;
for(a=4;a>0;a--)
for(b=248;b>0;b--);
}
}

登录后可发表评论
点击登录